FontAwesomeConfig = { searchPseudoElements: true };
envelope

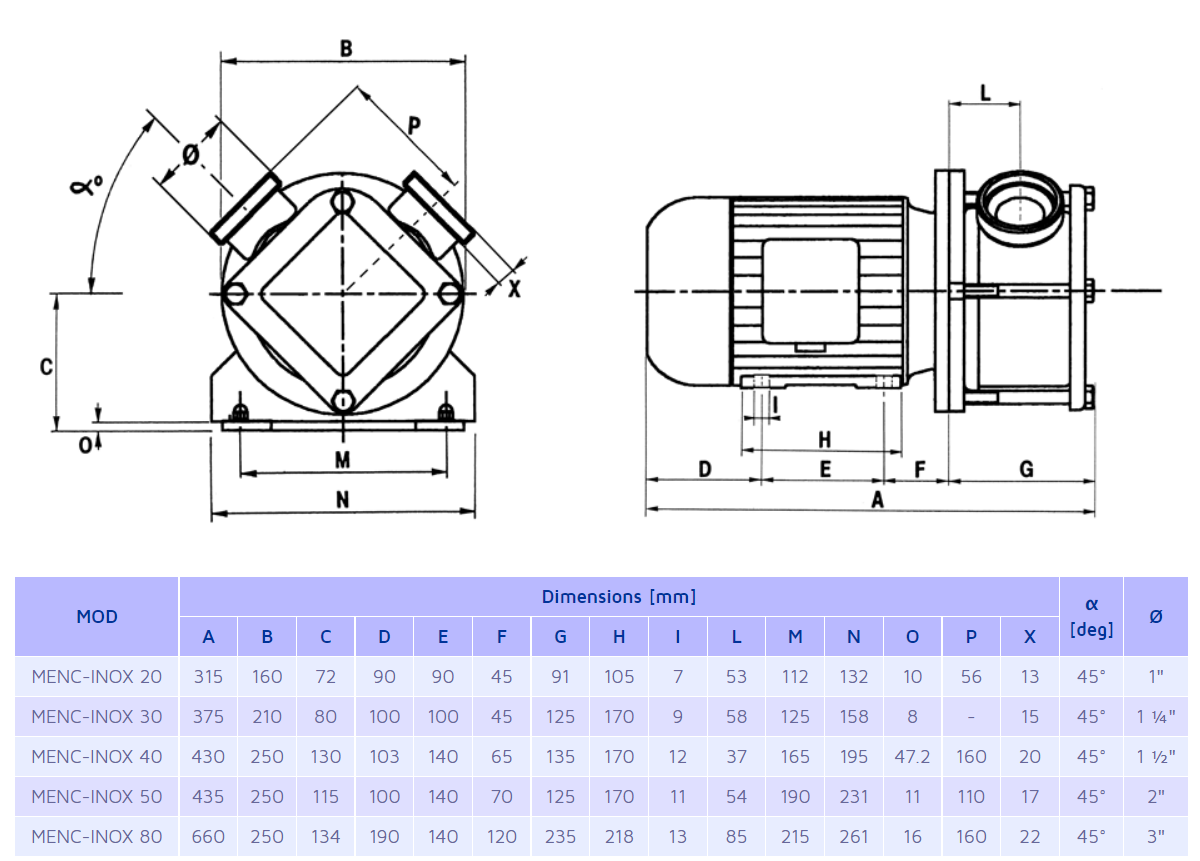
מפרט טכני



שימושים
משאבות נירוסטה עם מאיץ גומי גמיש,משמשותת לשאיבה של מיגוון רחב של צפיפות נוזלים.
כולל נוזל עם חלקיקים או גזים מומסים.
כושר יניקה של עד 5 מ'
אפשרות פעולה לשני הכיוונים
משמשות למגוון תעשיות כגון:מחלבות,יקבים,דבש,קוסמטיקה,מיצים,בירה,גליקולים,שוממנים,סבונים וצבעים

משאבות נירוסטה עם מאיץ גומי גמיש משמשות לשאיבה של מיגוון רחב של צפיפות נוזלים,כולל נוזל עם חלקיקים או גזים מומסים. כושר יניקה של עד 5 מ' אפשרות פעולה לשני הכיוונים משמשות למגוון תעשיות כגון מחלבות,יקבים,דבש,קוסמטיקה,מיצים,בירה,גליקולים,שוצמים,סבונים וצבעים. חומרי מבנה: גוף משאבה-נירוסטטה מלוטשת 304 מאיץ-גומי NEOPREN/EPDM טמפ.נוזל מקסימלית 70 מעלות  

חומרי מבנה
גוף משאבה-נירוסטב מלוטשת 304
מאיץ-גומי NEOPREN/EPDM
טמפ' נוזל מקסימלית 70+ מעלות

שימושים-משאבות נירוסטה עם מאיץ גומי גמיש משמשות לשאיבה של מיגוון רחב של צפיפות נוזלים,כולל נוזל עם חלקיקים או גזים מומסים. כושר יניקה של עד 5 מ' אפשרות פעולה לשני הכיוונים משמשות למגוון תעשיות כגון מחלבות,יקבים,דבש,קוסמטיקה,מיצים,בירה,גליקולים,שוצמים,סבונים וצבעים. חומרי מבנה: גוף משאבה-נירוסטטה מלוטשת 304 מאיץ-גומי NEOPREN/EPDM טמפ.נוזל מקסימלית 70 מעלות  

 

צרו קשר לגבי מוצר זה

נציגים בלעדיים של החברות המובילות

slider
slider
רוצים לדעת עוד? השארו פרטים ונחזור בהקדם