FontAwesomeConfig = { searchPseudoElements: true };
envelope

מפרט טכני



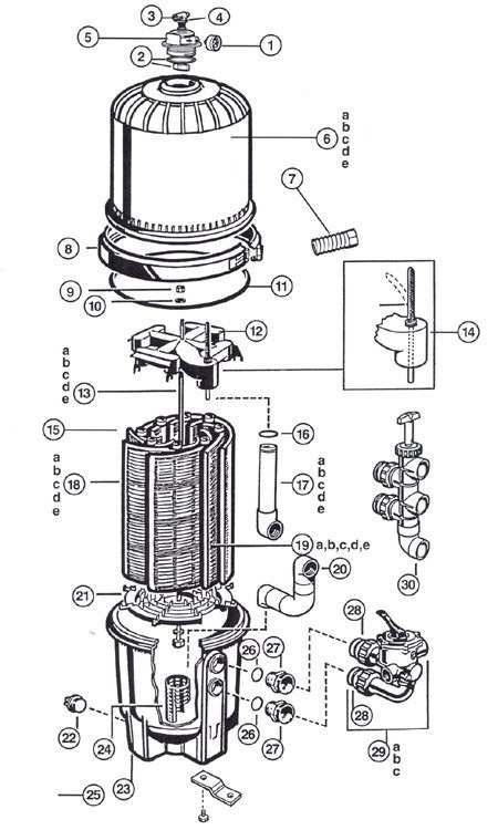
בנד נירוסטה למסנן דיאטומי HAYWARD דגם DEX 2420J

מקט:  49110
צרו קשר לגבי מוצר זה

נציגים בלעדיים של החברות המובילות

slider
slider
רוצים לדעת עוד? השארו פרטים ונחזור בהקדם